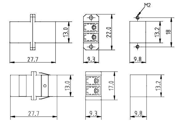
The LX.5 adapters are designed and manufactured according JIS, IEC, EIA/TIA and ANSI specifications for intermateability and optical performance. The LX.5 adapters are offered in MM or SM performances, for connectors with PC and APC polishing method. It is possible to exactly specify your demands concerning type of flange and adapter performance.

