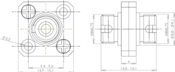
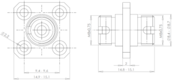
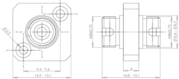
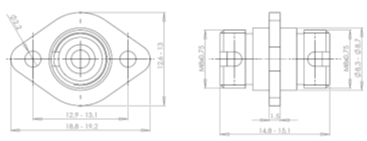
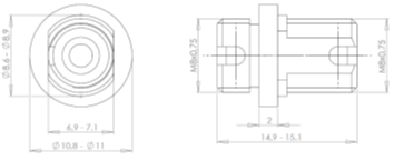
The FC adapters are designed and manufactured according JIS, IEC, EIA/TIA and ANSI specifications for intermateability and optical performance. The FC adapters are offered in MM or SM performances, for connectors with PC and APC polishing method. It is possible to exactly specify your demands concerning keying slot width (standard Seiko Instruments or Seikoh Giken) for APC adapters, type of sleeve (phosphor bronze or zirconia) and adapter performance: various shape of flange, D-hole, DD-hole, etc.





